hőszigetelt U-ZSALUELEM, ÁTHIDALÓNAK ÉS KOSZORÚNAK


Így…….

vagy úgy

vagy úgy? A döntés a te kezedben van!


ÚJ ÉPÍTŐIPARI TERMÉKÜNK: – a “Szürke” grafitos hőszigetelt U-ZSALUELEM, ahol a maximális stabilitást a kis tömeggel ötvöztük. a hőszigetelt “NEOPOR” U-ZSALUELEM közvetlenül dugaszolható (LEGO) rendszerének köszönhetően egyszerűen és gyorsan telepíthető, mely rövidebb munkaidőt eredményez. hőhídmentes. kiváló hőszigetelő anyagból készül, így megfelel a KfW 40 (passzívház) minden kritériumának. 36,5 cm és 42,5 cm falvastagságban kaphatóak.

a hőszigetelt U-ZSALUELEM használatával, akár 80%-os munkaidő megtakarítás érhető el!

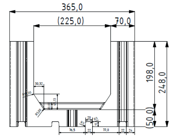
Az elemek szabványos hossza: 115 cm

Geometriai méretek (mm- H/sz/m): 1.150x365x248

Beton keresztmetszet: 225 cm x 198 cm

A szigetelőanyag hővezető képessége: 0,032 W/mK

U-érték 36,5 cm: 0,21 W/m2K,

U-érték 42,4 cm: 0,16 W/m2K

Kézifűrésszel gyorsan és egyszerűen vágható

Egyszerűen Helyezze az U-ZSALUELEMet egy M10-es habarcságyba

közvetlenül dugaszolható (LEGO) rendszere, rövidebb munkaidőt és ezáltal gyorsabb összeszerelést tesz lehetővé


Mi a jobb a neopor vagy a hungarocell?

A panelek alacsony, 0,032 W/(mK) hővezető képessége már 17 kg/m³ anyagsűrűséggel is elérhető. Ez azt is mutatja, hogy a 032 típusú Neopor lapok lényegesen jobb hőszigetelő tulajdonságokkal rendelkeznek, mint a hagyományos EPS-ek, miközben kevesebb anyagot használnak fel.

A német BASF cégtől származó, szürke színű, grafitos Neopor 2400 típusú expandált polisztirol (EPS), ami tartalmaz habosító anyagot és égéskésleltető adalékot is. Kiváló hőszigetelő képességgel rendelkezik, rendkívül jól alakítható, környezetre és egészségre nem veszélyes.


LB hőszigetelT koszorú rendszer - méretek ÉS ÁRAK:


LB 36,5 -ÖS hőszigetelt ÁTHIDALÓ- és KOSZORÚELEM

Méret: 36,5 x 24,8 x 115 CM

Anyagszükséglet folyóméterenként: 0,87

Raklapozás (db/raklap) (súly/raklap): 10 DB / 45 kg

Ár (forint) folyométerenkénT (fm): nettó 17.000 Ft./ Bruttó 21.590 Ft.

Ár (forint) darabonként: Nettó 19.560 ft. / Bruttó 24.840 ft.

Információs adatlap pdf formátumban


PÁLYÁZATI / KÖZBESZERZÉSI LEÍRÁS: 

LB HŐSZIGETELT U-ZSALUELEM, ÁTHIDALÓNAK ÉS KOSZORÚNAK

"RB FORMWORK GREY" 365 / 248 mm.

(HŐÁTBOCSÁTÁSI TÉNYEZŐ, U = 0,032 W/mK) TELJES FALVASTAGSÁG ESETÉBEN: 365 mm

A hőszigetelt U-zsaluelem tömör zártcellás Neoporból készül. Kívül-belül vakolathornyokkal kialakított, helyszínen történő hőhídmentes koszorú és áthidaló gyártásához. Külső keresztmetszet W = 365 mm, H = 248 mm, elemhossz 1,15 m integrált dugaszoló (LEGO) rendszerrel, belső keresztmetszet W = 225 mm, H = 198 mm integrált távtartókkal a padlón; felül nyitott a vasalat és beton behelyezéséhez.

A grafitos hőszigetelt U-zsaluelemet a szerkezeti és statikai követelményeknek megfelelően kézi fűrésszel ellátott padlókivágásokkal vagy geometriai bevágásokkal kell ellátni, vékonyágyazatú habarccsal sorba rendezni a falazaton majd behelyezni a vasalást és a betont.


LB 42,5 -ÖS ÁTHIDALÓ- és KOSZORÚELEM

Méret: 42,5 x 24,8 x 115 CM

Anyagszükséglet folyóméterenként: 0,87

Raklapozás (db/raklap) (súly/raklap): 9 DB / 50 kg

Ár (forint) folyométerenkénT: nettó 21.600 ft. / Bruttó 27.430 Ft.

Ár (forint) darabonként: Nettó 24.840 ft. / Bruttó 31.550 ft.


PÁLYÁZATI / KÖZBESZERZÉSI LEÍRÁS: 

LB HŐSZIGETELT U-ZSALUELEM, ÁTHIDALÓNAK ÉS KOSZORÚNAK

"RB FORMWORK GREY" 425 / 248 mm.

(HŐÁTBOCSÁTÁSI TÉNYEZŐ, U = 0,032 W/mK) TELJES FALVASTAGSÁG ESETÉBEN: 365 mm

A hőszigetelt U-zsaluelem tömör zártcellás Neoporból készül. Kívül-belül vakolathornyokkal kialakított, helyszínen történő hőhídmentes koszorú és áthidaló gyártásához. Külső keresztmetszet W = 425 mm, H = 248 mm, elemhossz 1,15 m integrált dugaszoló (LEGO) rendszerrel, belső keresztmetszet W = 225 mm, H = 198 mm integrált távtartókkal a padlón; felül nyitott a vasalat és beton behelyezéséhez.

A grafitos hőszigetelt U-zsaluelemet a szerkezeti és statikai követelményeknek megfelelően kézi fűrésszel ellátott padlókivágásokkal vagy geometriai bevágásokkal kell ellátni, vékonyágyazatú habarccsal sorba rendezni a falazaton majd behelyezni a vasalást és a betont.